欢迎光临晨鑫电子官方网站!!!
全国服务热线:135-3830-2000
专业轻触开关实力厂家
晨鑫电子 & 15年精密开关品牌
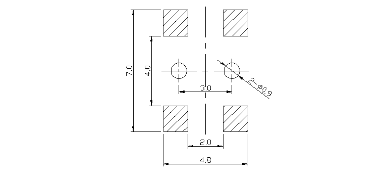
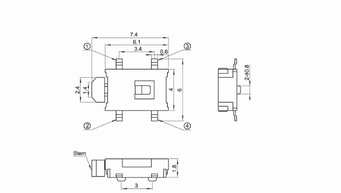
B系列 / 3x6一型二型
bxilie / 3x6yixingerxing
CX-B-M05
大龟系列
额定功率:50mA DC12V
绝缘电阻:≥100MΩ
绝缘强度:AC250V 1Minute
温度范围:-30℃ 到+85℃
寿命:50,000Cycles
行程:0.30±0.1mm
全国服务热线135-3830-2000
电话:0769-83666259
东莞市黄江镇田美工业区