欢迎光临晨鑫电子官方网站!!!
全国服务热线:135-3830-2000
专业轻触开关实力厂家
晨鑫电子 & 15年精密开关品牌
B系列 / 3x6一型二型
bxilie / 3x6yixingerxing
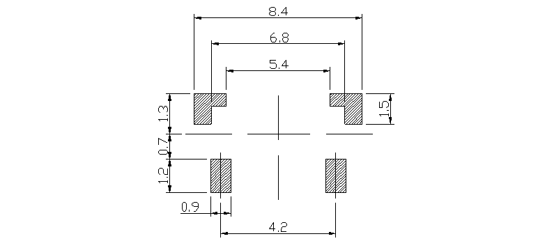
CX-B-M03
3x6侧按系列
额定功率:50mA DC12V
绝缘电阻:≥100MΩ
绝缘强度:AC250V 1Minute
温度范围:-30℃ 到+85℃
寿命:30,000 -50,000Cycles
行程:0.25±0.1mm
全国服务热线135-3830-2000
电话:0769-83666259
东莞市黄江镇田美工业区