欢迎光临晨鑫电子官方网站!!!
全国服务热线:135-3830-2000
专业轻触开关实力厂家
晨鑫电子 & 15年精密开关品牌
直拨拨动开关
zhibobodongkaiguan
CXM-22C03
应用※电脑周边及网络产品※电信产品※恒温开关※仪器特点※贴片类型※1.5mm行程※2P2T※回流可焊※ROHS认证尺寸图PCB电路参考图电路图如何订购
产品详情
应用
※电脑周边及网络产品
※电信产品
※恒温开关
※仪器
特点
※贴片类型
※1.5mm行程
※2P2T
※回流可焊
※ROHS认证
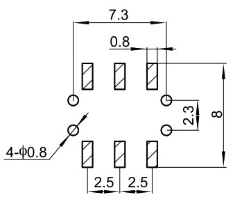
尺寸图

PCB电路参考图

电路图

如何订购

全国服务热线135-3830-2000
电话:0769-83666259
东莞市黄江镇田美工业区