晨鑫产品中心
product center
CXM-P10
操作方向: 侧按 特点: 其它 安装类型: 插入式 操作手感: 敏感型 高度(H)(mm): 7.0∽8.0 尺寸(L)(mm): ≥7系列: CXM-P10
特点: 侧按
尺寸: 6.0X6.0mm
产品分类: 轻触开关 - D系列 / 6x6
应用
※ 各种电子设备像音响设备,办公设备,通讯设备,测试仪器,电视机,录像机,汽车等
特点
※ 插脚类型可以直接安在PCB上
※ 一些输出脚可以做为引脚让电路设计更简单
※ 可做防静电接地脚
※ 标准的帽子是可以做的
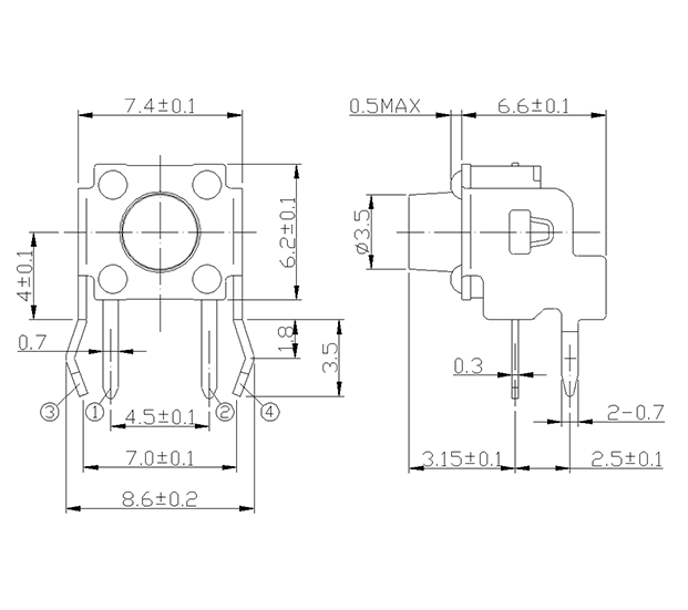
尺寸图

PCB电路参考图

电路图
