当前位置:网站首页 >
  • CX-HM01-11

    应用※便携式电子设备中介质的检测※(光驱、光盘、数码相机等)其他电子设备的操作开关特点※可靠性高、超长行程※用作输入设备的操作开关※瞬时-关-瞬时功能尺寸图PCB电路参考图电路图如何订购
    • 上一篇:已经没有了
    • 下一篇:CX-HD01-11
  • 产品详情

    应用

    ※便携式电子设备中介质的检测

    ※(光驱、光盘、数码相机等)其他电子设备的操作开关

    特点

    ※可靠性高、超长行程

    ※用作输入设备的操作开关

    ※瞬时-关-瞬时功能


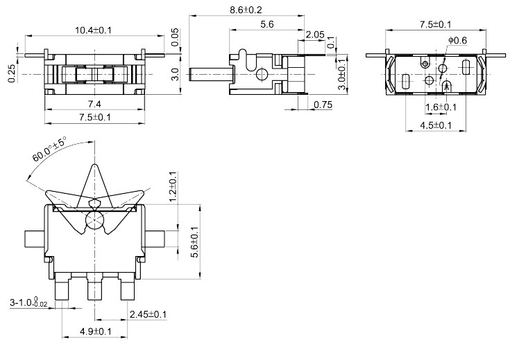
    尺寸图

    CF-HM01-112.jpg

    PCB电路参考图

    CF-HM01-114.jpg

    电路图

    CF-HM01-113.jpg

    如何订购

    CF-HM01-111.jpg

    全国服务热线135-3830-2000

    电话:0769-83666259

    东莞市黄江镇田美工业区