晨鑫产品中心
product center
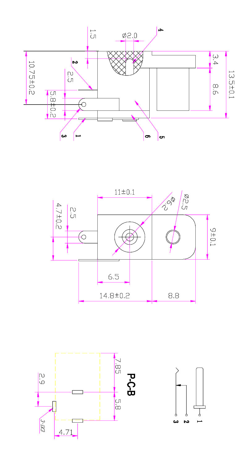
DC089Ф2.0/2.5 6.2(13.5*9*19)DC电源插座
DC电源插座系列主要参数:温度:-30ºC ~70ºC 耐压:AC 500V(50HZ)/min 额定负荷:DC 30V 0.5A 接触电阻:≤30mΩ 绝缘电阻:≥100MΩ 插拔力:3 N~20N 机械寿命:5000次DC插座系列产品用途:1学习产品:点读机、早教机等;2健身器材:跑步机、按摩椅等;3玩具产品:电子玩具,游戏机等;4安防产品:可视对讲机、监视器等;5摄影产品:数码相机、数码摄像机等;6影音产品:MP3、MP4、DVD、音箱、蓝牙耳机...DC电源插座系列主要参数:
温度:-30ºC ~70ºC
耐压:AC 500V(50HZ)/min
额定负荷:DC 30V 0.5A
接触电阻:≤30mΩ
绝缘电阻:≥100MΩ
插拔力:3 N~20N
机械寿命:5000次
DC插座系列产品用途:
1学习产品:点读机、早教机等;
2健身器材:跑步机、按摩椅等;
3玩具产品:电子玩具,游戏机等;
4安防产品:可视对讲机、监视器等;
5摄影产品:数码相机、数码摄像机等;
6影音产品:MP3、MP4、DVD、音箱、蓝牙耳机;
7遥控产品:车辆、点卷门、家庭防盗产品之遥控器;
8办公产品:热敏标签打印机、考勤打卡机、扫描仪等;
9电脑产品:摄像头、显示器、笔记本电脑、平板电脑等;
10医疗设备:治疗仪、血压计、体温计、医院呼叫系统等;
11通讯产品:手机、车载话机、电话机、楼宇设备、PDA等;
12家用电器:电视机、微波炉、电饭煲、电风扇、电子秤,灯具等;
产品规格:
