晨鑫产品中心
product center
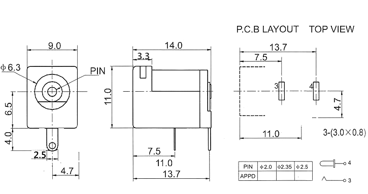
DC005-2PФ2.0/2.5 6.3(14*9*11)DC电源插座
DC电源插座系列主要参数: 温度:-30ºC ~70ºC 耐压:AC 500V(50HZ)/min 额定负荷:DC 30V 0.5A 接触电阻:≤30mΩ 绝缘电阻:≥100MΩ 插拔力:3 N~20N 机械寿命:5000次DC插座系列产品用途:
1.影音产品:MP3、MP4、DVD、音箱、蓝牙耳机;
2.摄影产品:数码相机、数码摄像机等;
3.遥控器:车辆、点卷门、家庭防盗产品之遥控器;
4.通讯产品:手机、车载话机、电话机、楼宇设备、PDA等;
5.家用电器:电视机、微波炉、电饭煲、电风扇、电子秤,灯具等;
6.安防产品:可视对讲机、监视器等;
7.玩具:电子玩具,游戏机等;
8.电脑产品:摄像头、录音笔、显示器、笔记本电脑、平板电脑等;
9.健身器材:跑步机、按摩椅等;
10.医疗器材:治疗仪、血压计、体温计、医院呼叫系统等。
产品规格:
