欢迎光临晨鑫电子官方网站!!!
全国服务热线:135-3830-2000
专业轻触开关实力厂家
晨鑫电子 & 15年精密开关品牌
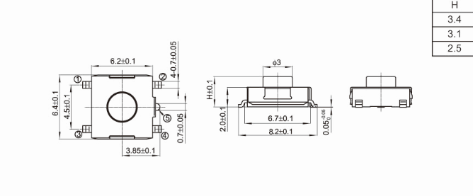
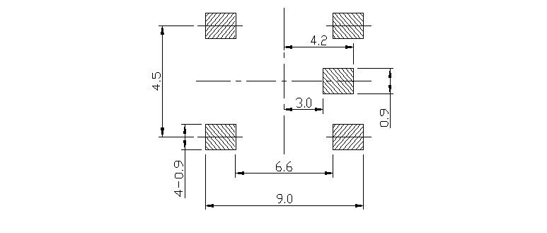
E系列 / 6.2x6.2
exilie / 6.2x6.2
CX-E-M05-E
6.2x6.2接地系列
额定功率:50mA DC12V
绝缘电阻:≥100MΩ
绝缘强度:AC250V 1Minute
温度范围:-30℃ 到+85℃
寿命:300,000 -500,000Cycles
行程:0.25±0.1mm
全国服务热线135-3830-2000
电话:0769-83666259
东莞市黄江镇田美工业区