欢迎光临晨鑫电子官方网站!!!
全国服务热线:135-3830-2000
专业轻触开关实力厂家
晨鑫电子 & 15年精密开关品牌
C系列 / 5.2, 4.5, 4.8
cxilie / 5.2, 4.5, 4.8
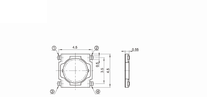
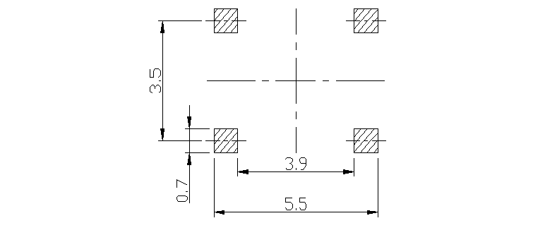
CX-C-M09
4.5x4.5薄型系列
额定功率:50mA DC12V
绝缘电阻:≥100MΩ
绝缘强度:AC250V 1Minute
温度范围:-20℃ 到+70℃
寿命:200,000 -500,000Cycles
行程:0.15±0.1mm
全国服务热线135-3830-2000
电话:0769-83666259
东莞市黄江镇田美工业区