欢迎光临晨鑫电子官方网站!!!
全国服务热线:
135-3830-2000
英文版
微信扫一扫
手机网站
专业轻触开关实力厂家
晨鑫电子 & 15年精密开关品牌
网站首页
产品中心
热销产品
轻触开关
多功能开关
带灯开关
按键开关
旋转拨码开关
程式开关
拨动开关
检测开关
USB插座
针座
DC插座
应用领域
数码周边
家电
汽车
娱乐设备
医疗设备
音频/电视
能源/工业
新闻动态
公司新闻
行业资讯
疑难解答
关于我们
厂房车间
合作伙伴
检测设备
资质证书
视频展示
联系我们
C系列 / 5.2, 4.5, 4.8
cxilie / 5.2, 4.5, 4.8
当前位置:
网站首页
>
晨鑫产品中心
product center
热销产品
轻触开关
·
A系列/MINI型
·
B系列 / 3x6一型二型
·
C系列 / 5.2, 4.5, 4.8
·
D系列 / 6x6
·
E系列 / 6.2x6.2
·
F系列 / 硅胶柔感
·
G系列 / 12x12
·
J系列/防水
多功能开关
·
双动作
·
五方向
·
拨轮
带灯开关
·
轻触带灯
·
自锁带灯
·
防水带灯
按键开关
·
5.8x5.8
·
7x7
·
8.5x8.5
·
8.0x8.0
旋转拨码开关
·
按入式
·
贴片式
程式开关
·
贴片式
·
按入式
拨动开关
·
直拨拨动开关
·
侧拨拨动开关
检测开关
·
直按检测开关
·
侧按检测开关
USB插座
·
USB AF
·
MICRO USB
·
USB Type-C
·
USB母座
针座
DC插座
CX-C-M01
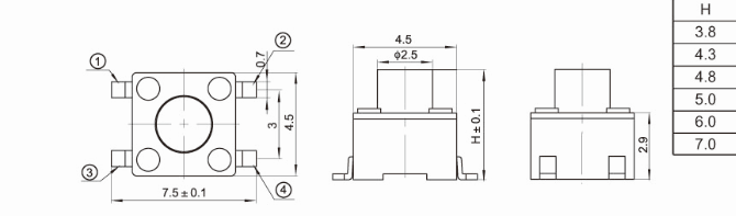
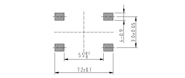
4.5x4.5贴片系列 额定功率:50mA DC12V 绝缘电阻:≥100MΩ 绝缘强度:AC250V 1Minute 温度范围:-30℃ 到+85℃ 寿命:50,000 -100,000Cycles 行程:0.25±0.1mm
上一篇:已经没有了
下一篇:
CX-C-M04
产品
详情
产品中心
热销产品
轻触开关
多功能开关
带灯开关
按键开关
旋转拨码开关
关于我们
公司简介
厂房车间
合作伙伴
检测设备
资质证书
视频展示
媒体资讯
公司新闻
行业资讯
疑难解答
版权所有 © 东莞市晨鑫电子科技有限公司
[百度统计]
网站地图
粤ICP备18146823号
全国服务热线
135-3830-2000
电话:0769-83666259
东莞市黄江镇田美工业区
友情链接
晨鑫电子
QQ:192175148
QQ:1751277358
程先生:135-3830-2000
傅小姐:136-0235-9122
陈先生:135-8087-4555
扫描二维码