欢迎光临晨鑫电子官方网站!!!
全国服务热线:135-3830-2000
专业轻触开关实力厂家
晨鑫电子 & 15年精密开关品牌
CXM-15C14
应用※电脑周边及网络产品※电信产品※测试与测量设备特点※迷你贴片※1.5mm行程※1P5T类型※回流可焊※ROHS认证尺寸图PCB电路参考图电路图如何订购
产品详情
应用
※电脑周边及网络产品
※电信产品
※测试与测量设备
特点
※迷你贴片
※1.5mm行程
※1P5T类型
※回流可焊
※ROHS认证
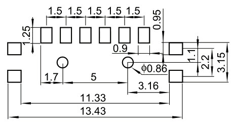
尺寸图

PCB电路参考图

电路图

如何订购

全国服务热线135-3830-2000
电话:0769-83666259
东莞市黄江镇田美工业区