当前位置:网站首页 >
  • CX-B-M11

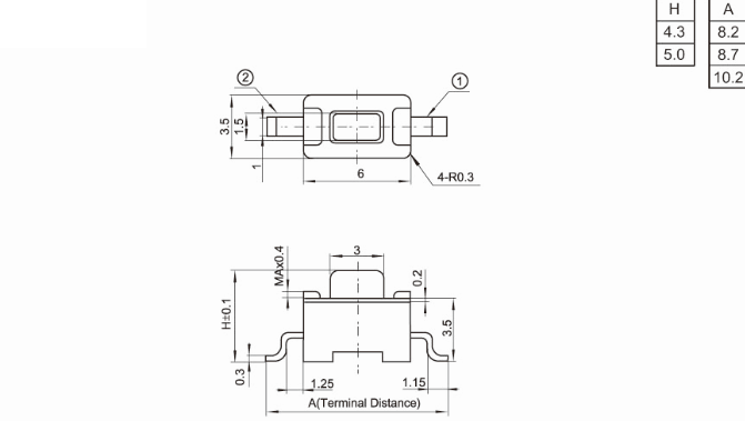
    3x6系列 额定功率:50mA DC12V 绝缘电阻:≥100MΩ 绝缘强度:AC250V 1Minute 温度范围:-20℃ 到+70℃ 寿命:30,000 -50,000Cycles 行程:0.25±0.1mm
  • 产品详情

    5ffd60b11d695.png

    7 (2).jpg

    5ffd60b2519c5.png


    全国服务热线135-3830-2000

    电话:0769-83666259

    东莞市黄江镇田美工业区