当前位置:网站首页 >
  • CX-A-F03

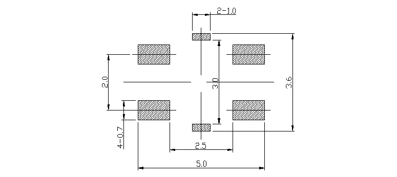
    3x3系列 额定功率:50mA DC12V 绝缘电阻:≥100MΩ 绝缘强度:AC250V 1Minute 温度范围:-30℃ 到+85℃ 寿命:100,000 Cycles 行程:0.20±0.1mm
  • 产品详情

    5ffd4999614db.png

    5ffd499a96c96.png


    全国服务热线135-3830-2000

    电话:0769-83666259

    东莞市黄江镇田美工业区